Training examples¶
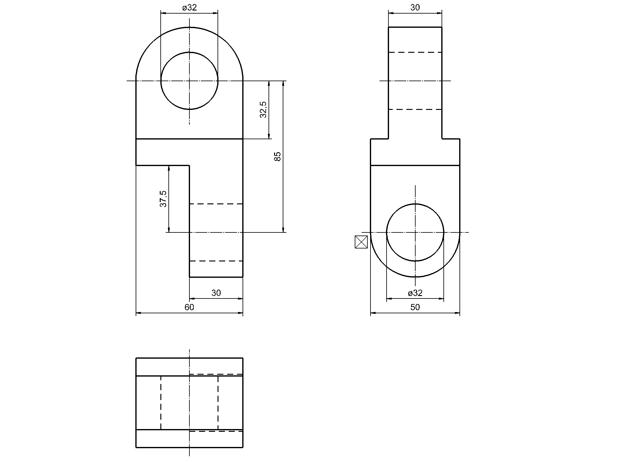
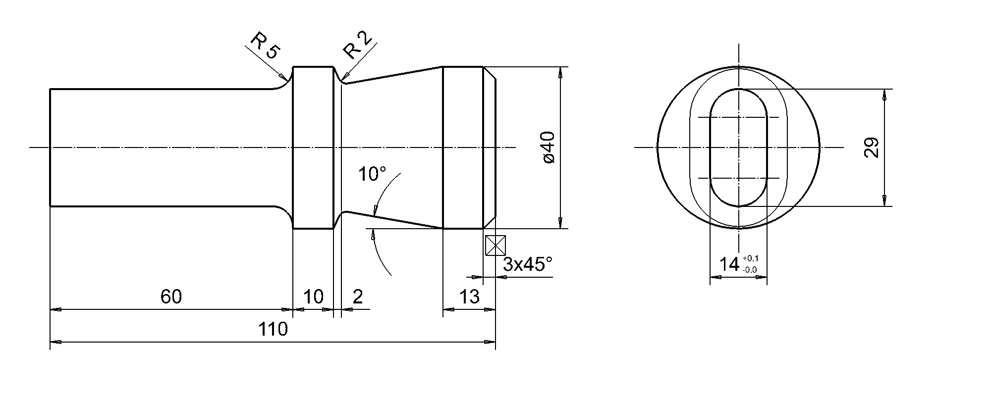
Example 1¶

Tip
A corner can be rounded using the FILLET function (Modify menu → Elements → Fillet).

Fillet

Indicates that the Fillet function is active. It is also possible to switch to the functions NOTCH and CHAMFER.
Radius

The radius with which a corner is rounded is specified in this field.
Modify
With this function, you can change or remove already existing fillets. If a fillet is to be deleted, the value 0 must be entered in the radius field.
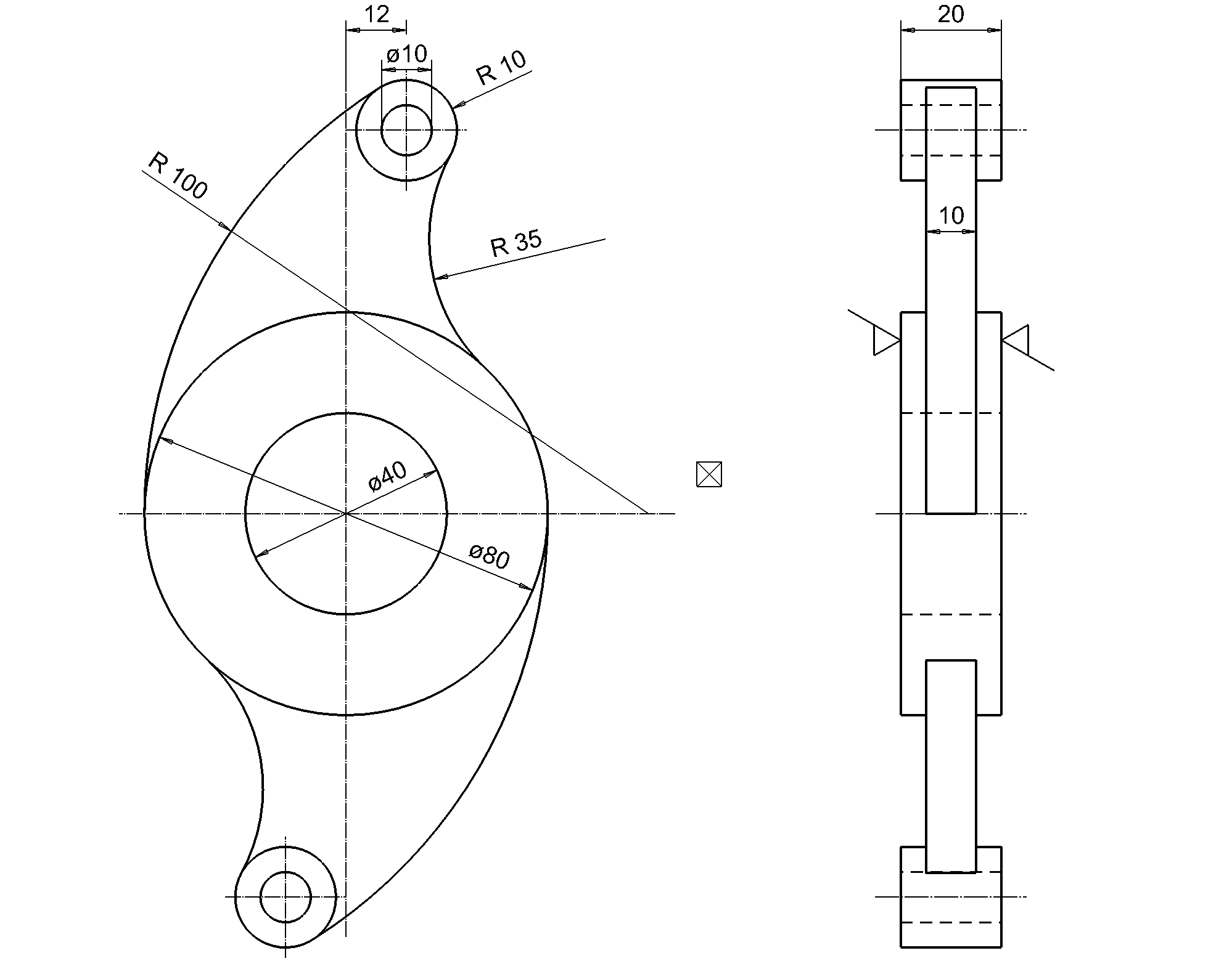
Example 2¶

Example 3¶

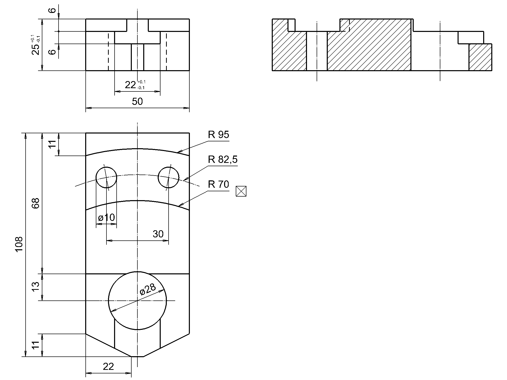
Example 4¶

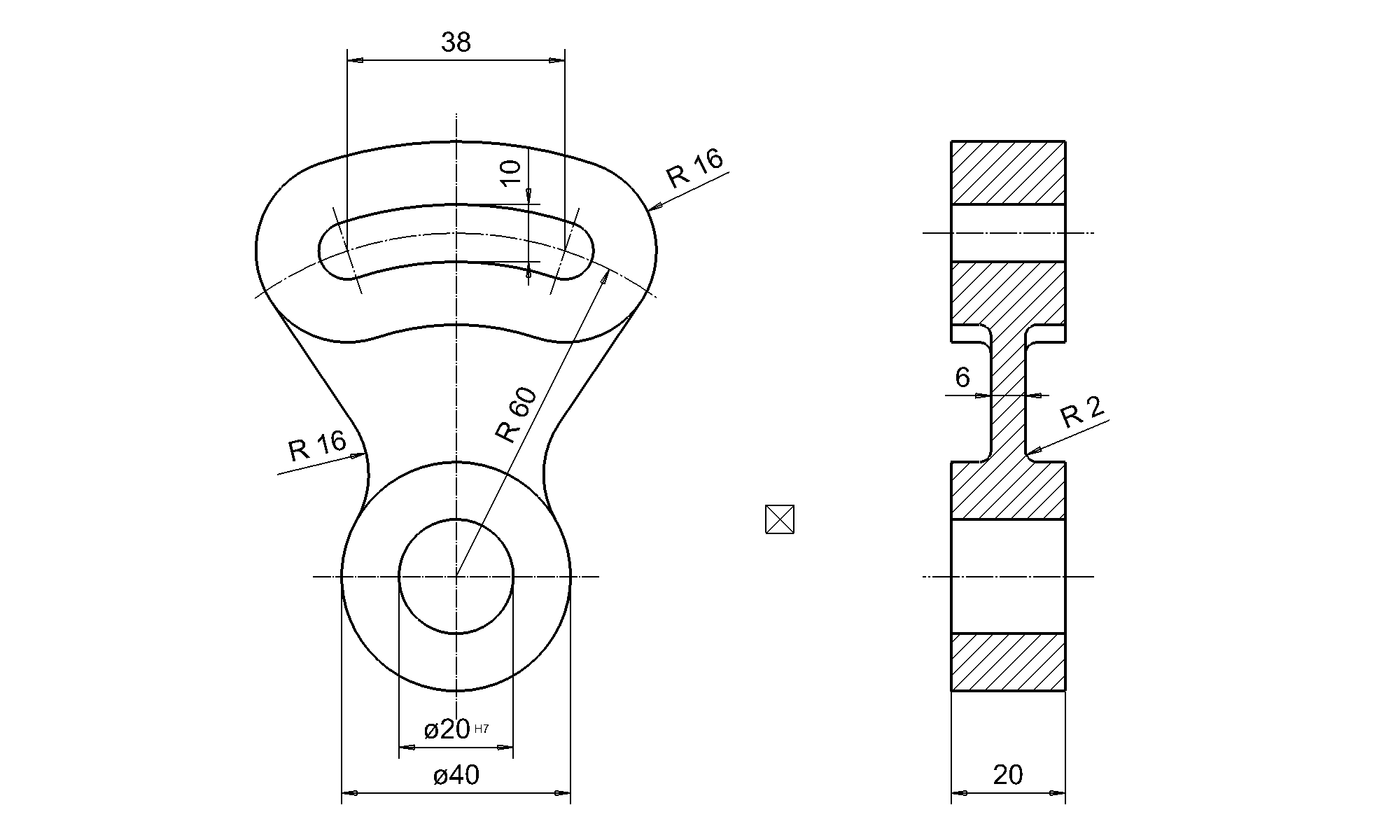
Example 5¶

Example 6¶

Example 7¶

Example 8¶
